Cost-effctive QS 3000W 40H V1.12 BLDC In-Wheel Hub Motor for electric scooter
NOTE:
1.Orders do not include customs duties, which are borne by the buyer.(Except for some aliexpress marked orders including tax).
2.For some special countries with strict customs for import, so pls. confirm it firstly to us that you have ability to do customs clearance, otherwise we will not take on heavy responsibilities for this issue, return money and goods are not support.
(special countries list contact seller)
For 12inch E-Scooter wheel hub motor, it could be used for electric scooter, electric motorcycle.
There are three width options of wheel,12X2.5inch(1500w-3000w),12x3.5inch(1500w-12kw)and12x5.0inch(7000W)for choice.

Optional all black cover:

Key Features
1). Simplify to make a electric-scooter. Gearbox, transmission shaft, clutch are no need. Which save space.
2). It could be installed in the rear to save more space for battery.
3). Support regenerative braking
4). High efficiency: 85~92%
PS.1). Above quotation base on 12inch 260 electric car wheel hub motor, 48V~96V.
2). Above configuration is suggested for mass production,
for EV enthusiast, V2 & V3 motor could be over-voltaged to gain more speed/performance (customizable).
Since 2019, all 260 V3 has updated to V4 version, it has better performance than previous V3, with higher speed and stronger torque.
Product description
Genearlly Spec:
Motor Type: BLDC Outer Rotor In-Wheel Hub Motor With Hall Sensor
Brand: QS Motor, QSMOTOR
Motor Design: Double axle with 12inch moped rim (integrated)
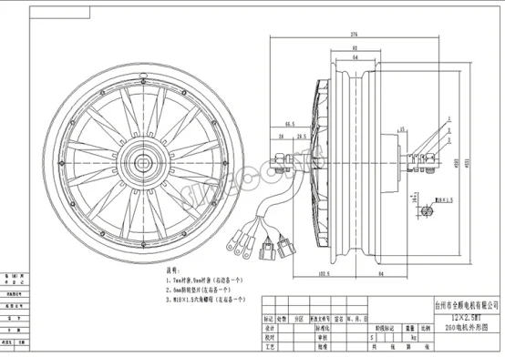
Rim Size:12x2.5inch(Narrow Tire as default), matched tire:90/90-12 etc
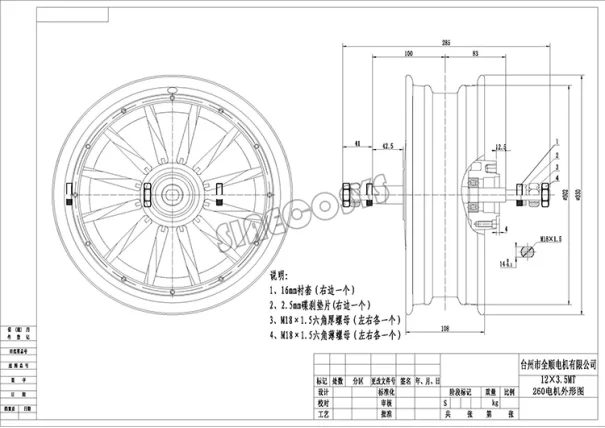
12x3.5inch(Wide Tire), matched tire: 130/90-12 etc
Magnet Height: 40mm, 24 pole pairs
Stator: Steel Core
Rated Power: 3000W
Speed: 30KPH-75KPH, it's customized, genearlly we will design as 72V65KPH.
Work voltage range: 48V-96V, will be 72V as default.
Max Torque approx 152.0N.m
KV: 11.6/13.5/14.8 (optional)
Thermic Probe: KTY83-122 (as default, optional)
Max Efficiency approx 88%
Brake type: Disc brake (as default), PCD3*80mm-M8, CB 58mm
Drop-outs: 200mm
Dual Halls with waterproof connectos(One for spare, in case of damage)
10mm² Phase Wire
Waterproof Grade: IP54
Color: Black (As default)
Dimension Drawing:
12*2.50inch in-wheel hub motor

12*3.5inch in-wheel hub motor:

Please noted:
Optional appearance, drawing, performance curve/test report are available.
If you need more technical information, please feel free to contact us.
We will give you reply in 12hours.
Conversion kits for 12inch in-wheel hub motor
We're able to supply Controller, display, dc-dc converter, disc brake system, twist throttle...etc.

Application for 12inch in-wheel hub motor

Inventory Last Updated: Nov 06, 2025
