Best-selling 10inch 2000W 205 45H V3 Brushless DC Electric Scooter Hub Motor
For 10inch E-Scooter wheel hub motor, it could be used for electric scooter, electric motorcycle.
There are three width of wheel,10X2.15inch(500W-4000W), 10X3.0inch(500w-4000W)and10x5.5inch(Customized type, 1000W-4000W)for choice.
We offer narrow tire,10X2.15inch as default.
NOTE:
1.Orders do not include customs duties, which are borne by the buyer.(Except for some aliexpress marked orders including tax).
2.For some special countries with strict customs for import, so pls. confirm it firstly to us that you have ability to do customs clearance, otherwise we will not take on heavy responsibilities for this issue, return money and goods are not support. (special countries list contact seller)

All black cover
Optional drum brake hub motor
Only available for top speed no more than 50KPH application

Key Features
1). Simplify to make a electric-scooter. Gearbox, transmission shaft, clutch are no need. Which save space.
2). It could be installed in the rear to save more space for battery.
3). Support regenerative braking
4). High efficiency: 85~92%
PS.1). Above quotation base on 205 electric scooter wheel hub motor, 48V~72V.
2). Above configuration is suggested for mass production.
for EV enthusiast, V2 & V3 motor could be over-voltaged to gain more speed/performance (customizable).
Product description
Genearlly Spec:
Motor Type: BLDC Outer Rotor In-Wheel Hub Motor With Hall Sensor
Brand: QS Motor,QSMOTOR
Motor Design: Double axle with 10inch moped rim (integrated)
Rim Size:10x2.15inch(Narrow Tire as default), matched tire:3.0-10,3.5-10 etc
10x3.0inch(Wide Tire), matched tire: 130/90-10 etc
P.s.: For Wide tire design, the additional cost will be $3.5/pcs
Magnet Height: 45mm, 16 pole pairs
Stator: Aluminum Core
Rated Power: 2000W
Speed: 30KPH-70KPH, it's customized, genearlly we will design as 72V60KPH.
Work voltage range: 48V-96V, will be 72V as default.
Max Torque approx 168.0N.m
KV: 8.9/10.4/13.1/14.5/18.1 (optional)
Thermic Probe: KTY83-122 (as default, optional)
Max Efficiency approx 88%
Brake type: Disc brake (as default), PCD3*80mm-M8, CB 58mm
Drop-outs: 200mm
Dual Halls with waterproof connectos(One for spare, in case of damage)
8mm² Phase Wire
Waterproof Grade: IP54
Color: Black (As default)
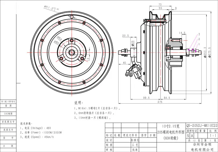
Drawing for 10inch in-wheel hub motor:
1. 10*2.15inch in-wheel hub motor

2. 10*3.0inch in-wheel hub motor:

Please noted:
Optional appearance, drawing, performance curve/test report are available.
If you need more technical information, please feel free to contact us.
We will give you reply in 12hours.
Conversion kits for 10inch in-wheel hub motor
We're able to supply Controller, display, dc-dc converter, disc brake system, twist throttle...etc.

Application for 10inch in-wheel hub motor

Inventory Last Updated: Dec 20, 2025

