Sales Clearance! SiAECOSYS Kelly Controller KLS7230SF Sine Wave Programmable with
Anti Theft Function for 3000W Motor Controller
NOTE:
1.Orders do not include customs duties, which are borne by the buyer.(Except for some aliexpress marked orders including tax).
2.For some special countries with strict customs for import, so pls. confirm it firstly to us that you have ability to do customs clearance, 
otherwise we will not take on heavy responsibilities for this issue, return money and goods are not support. (special countries list contact seller)
It's special design for QS brushless motor controller for Conversion Kits, which can match with QS HUB MOTOR Rated Power 3000W.
P.s. If you have any confused about the shipping cost, please feel free to contact with us.
Also could place order but don't pay first, then we could adjust price correctly. 
Key Features
1). Very Easy connect
2). Can match with almost brushless DC motor
3). Soft start can be adjusted
4). Support Programmable by bluetooth
Generally SPEC
1.sine wave controller, programmable, with regen function
2. Battery Current: 120A
3. Max Phase Current: 300A
4. Voltage Rated: 72V
5. Thermic Probe:KTY83/122
6. controller sizeL: 140mm*123mm*58.5mm
7.weight:1.7kg
8. waterproof IP54
9.default not including bluetooth, CAN BUS not support
10.Function : anti theft, three speed, e brake
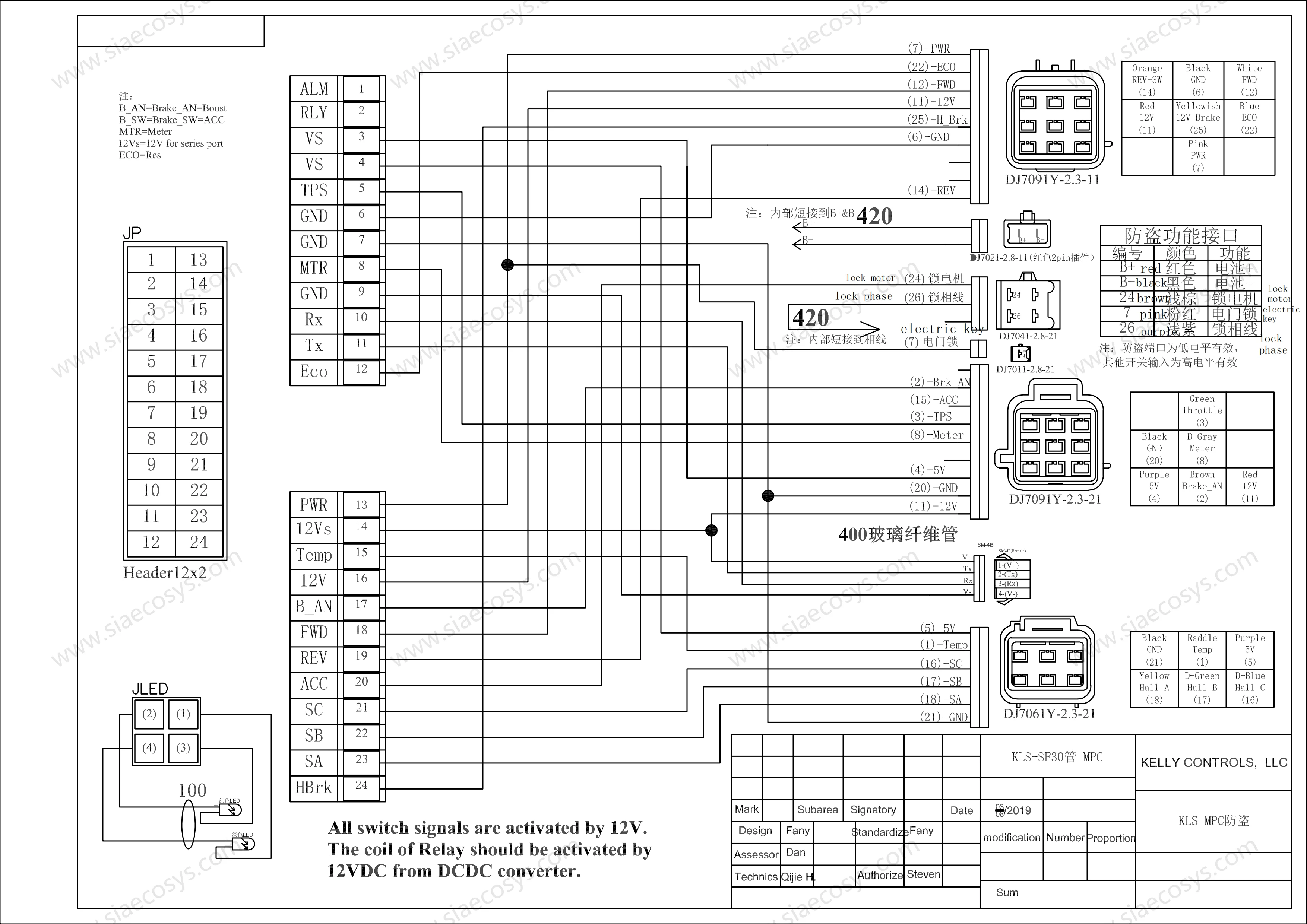
 Controller Drawing & Wire Definition
Controller Drawing & Wire Definition

 Kelly Controller Interface
Kelly Controller Interface
Here are the clear and easy adjustment interface.

Please noted:
Optional appearance, drawing, performance curve/test report are available.
If you need more technical information, please feel free to contact us.
We will give you reply in 12hours.
A note to client
1. Please contact seller confirm the parameter, otherwise we will produce as default.
2. When place order please leave email address, for seller provide manual.
3. Please read manual careful before using motor and controller, and if meet problem please contact seller in time, and don't disassemble cargo without seller permit, otherwise there will be no warranty.

 
             
           
           
           
           
           
           
           
           
           
           
               
               
               
               
               
               
               
               
               
              